聚丙烯酰胺生产装置采用丙烯酰胺水溶液聚合法生产聚丙烯酰胺,共有两种生产工艺:均聚工艺和抗盐工艺。
1.均聚工艺
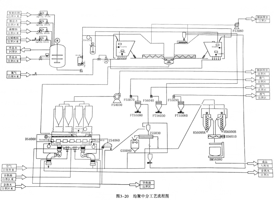
丙烯酰胺单体在自由基催化剂的作用下,发生聚合反应。在这种特定过程中,聚合反应包括两步:首先是氧化—还原体系催化剂释放自由基,然后是偶氮类催化剂在热活化作用下释放自由基,见图3-20.

(1)氧化—还原引发。
S2O82- + 2e– →2SO24-
HOCH2SO2Na→NaHSO2+HCHO
2NaHSO2→Na2S2O3+H2O
2S2O32- →S4O42- + 2e
(2)偶氮分解方程。
CO23- + H2O→HCO3– + OH–
HCO3– + H2O→H2CO3 + OH– → CO2 + OH– + H2O
- 因为Na2CO3系二元碱,NaOH用于调节ph值,使溶液呈碱性,从而使丙烯酰胺聚合并发生水解反应,其反应方程如下:

最强反应为:
由反应方程式可知:反应将产生与发生水解的丙烯酰胺同样摩尔数的NH3及一半摩尔数的CO2.由于有气体放出,在释放出一部分气体之前胶体体积大约膨胀2.5倍。
2.抗盐工艺
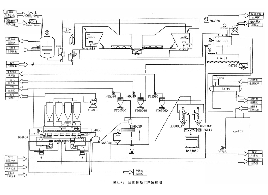
抗盐工艺是丙烯酰胺水溶液聚合后,再加入固体氢氧化钠进行水解的工艺。工艺是在聚合时加入具有抗盐作用的功能性单体,从而达到在聚丙烯酰胺大分子上引入功能基团的目的。这种功能基团能抑制钙、镁等阳离子对黏度的降低,从而降低黏度的损失,起到了抗盐作用。采用后水解工艺,使大分子链在产品中的比重加大,使产品质量大幅度提高,其相对分子质量可达2400*104以上,黏度分别可达60mPa·s(6倍大庆清水)和4OmPa·s(4倍大庆清水),见图3-21。

(1)聚合反应机理。
本工艺采用丙烯酰胺单体水溶液均聚聚合方法。丙烯酰胺单体在催化剂的作用下,发生自由基聚合。在这种特定过程中,聚合反应包括两步:首先是氧化–还原反应体系催化剂释放初级自由基,诱发聚合反应开始,其反应方程如下:
随着聚合放热,反应逐渐升温,当反应液温度达到40-50℃时,其中的偶氮类催化剂在热活化作用下分解释放自由基继续引发反应。偶氮分解方程式如下:
(2)水解反应基本原理。
聚合胶粒与粒碱接触后,发生水解反应。水解反应方程式如下:
欢迎分享,请注明出处:聚丙烯酰胺网_51PAM.COM » 抗盐聚丙烯酰胺生产技术工艺原理
聚丙烯酰胺网_51PAM.COM











